全球超低功耗20nA 物联网MCU航顺HK32L08X
- 分类:新闻中心
- 作者:
- 来源:金年会官方体育登录入口
- 2022年11月24日
【概要描述】据IHS数据统计,2022年中国MCU市场规模达283亿元,近五年中国MCU市场复合增长率为7.2%,是同期全球MCU市场增长率的4倍,预计2022年市场规模约299亿元。
全球超低功耗20nA 物联网MCU航顺HK32L08X
- 2022-11-24
据IHS数据统计,2022年中国MCU市场规模达283亿元,近五年中国MCU市场复合增长率为7.2%,是同期全球MCU市场增长率的4倍,预计2022年市场规模约299亿元。受物联网、智能家居、新兴医疗电子及新能源汽车等终端应用领域快速发展的带动,中国MCU市场未来几年内仍将继续保持8%的速度增长。

数据来源IHS
低能耗MCU是主要面向便携式设备、电池供电或能量采集等需要低能耗工作的电子产品,通过不同的设计方法和工艺选择,以降低微控制器的能耗和漏电流,为设备提供更持久的续航能力。作为MCU细分市场之一,低能耗MCU在全球MCU市场中占比约15%-20%。随着便携式穿戴设备不断普及,有机构预测未来几年低能耗MCU市场复合增长率将超过24%,远高于整个MCU市场增速。
随着泛智能化应用的快速发展,金年会官方体育登录入口推出基于ARM®Cortex®-M0内核的超低能耗MCU产品HK32L08x及HK32L0Hx系列MCU芯片,进一步完善HK32L0xx系列MCU芯片产品线。

HK32L08x系列MCU芯片型号汇总


HK32L0Hx系列MCU芯片型号汇总
不同应用场景对MCU功能、性能和能耗的需求有很大的差异。有些场景需要全速工作,有些场景需要低速工作,有些场景只需要间歇性工作,针对这些不同的应用场景,金年会官方体育登录入口进行了精细化的设计,HK32L08x及HK32L0Hx系列MCU支持多种能耗模式和不同深度的休眠模式,可以在要求低能耗、短启动时间和多种唤醒事件之间达到最佳的平衡。

多种低能耗模式
USB标准中定义了一种特殊的设备状态,即挂起状态,在这种状态下USB总线上的平均电流消耗不超过2.5mA,而自供电的设备则不需要严格遵守这样的电流消耗限制。
HK32L08x及HK32L0Hx系列MCU芯片提供了可编程时基,便于定期从停机或待机模式唤醒器件。通过对RCC_BDCR寄存器中的RTC_SEL[1:0]位进行编程,可以选择三个复用RTC时钟源中的两个低功耗32.768kHz外部晶振(LSE OSC),此时钟源提供的时基非常精确,能耗也非常低(典型条件下附加功耗小于1µA);另外一个是低能耗内部RC振荡器(LSI RC),此时钟源的优势在于可以节省32.768kHz晶振的成本,非常省电。
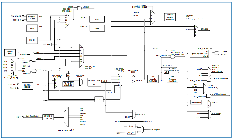
时钟系统是MCU功耗高低的关键,每秒进入与退出各种低能耗模式的次数,以及快速处理数据的能力,是工程师选择低能耗MCU芯片的重要参考指标,因为CPU会在等待时钟稳定下来期间浪费电流。HK32L08x及HK32L0Hx系列MCU支持多种时钟源驱动系统时钟(SYSCLK),工程师选择可外部低速时钟(LSE)用于驱动独立看门狗或从停机/待机模式自动唤醒的RTC、LCD、LPTIMER以及 LPUART等,也可选择LSE驱动实时时钟,每种时钟源都可以独立地打开或关断,当不使用它们时,可以将其关断来降低能耗,有多个分频器可用于配置AHB和APB时钟域,AHB和APB域的最大时钟频率为48MHz。

HK32L08x及HK32L0Hx系列MCU芯片时钟系统一览

HK32L08x及HK32L0Hx系列MCU芯片时钟树
除了不同的时钟模式外,更为重要的要明白哪些时钟是即时启动以及哪些是非即时启动的。HK32L08x及HK32L0Hx系列MCU芯片具有双级时钟激活功能,在高频时钟稳定化过程中分别提供一个外部低速时钟LSE和片内低速始终LSI(通常为32768Hz),在睡眠模式的最快的唤醒时间达1.2uS。
据中国产业信息网预测,预计2025年物联网连接数将达到251亿台,保持12%以上增长,庞大的物联网应用需求使得超低能耗MCU芯片产品越来越受重视,金年会官方体育登录入口也紧抓机遇,2021年量产物联网安全世界级超低能耗20nA HK32L家族,并不断完善超低能耗MCU产品线,力图打造nA级超低功耗MCU芯片集群。凭借此重量级“全球超低功耗20nA 物联网MCU航顺HK32L08X”连续两年获得物联网物联之星“年度卓越人物奖”,在物联网大放异彩并获得众多物联网客户采用,赋能全人类,万物互联让智慧生活更美好!
-
-
-